Messeinsatz ø 1,5 mm Länge 30 mm Stift M2,5 Stahl passend zu Messuhren

Versand: 0,00 €
Produktbeschreibung
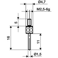
Allgemeine Beschreibung Der Messeinsatz mit einem Durchmesser von 1,5 mm und einer Länge von 30 mm ist speziell für Messuhren konzipiert. Er besteht aus hochwertigem Stahl und bietet eine präzise Passform für verschiedene Anwendungen in der Messtechnik. Technische daten Durchmesser: 1,5 mm Länge: 30 mm Gewinde: M2,5 Material: Stahl Höhe: 5,000 mm Breite: 5,000 mm Verpackungsgröße: 1.00 Gewicht: 1,000 g
Produktvarianten, Größen und Optionen
Ähnliche Produkte finden







